Вертикально-сверлильный станок 2С132

Вертикально-сверлильный станок 2С132 применяют при работе с заготовкой для обработки отверстий и нарезания резьбы. Подходит для вырезания дисков из листового материала, зенкования торцовых поверхностей.
Особенности конструкции станка 2С132
Наличие откидного подъемного стола у модели 2С132 позволяет обрабатывать на станке детали крупных нестандартных габаритов. Вертикально-сверлильный станок 2С132 имеет механизм регулировки высоты рабочего стола, что дает возможность поворота стола на необходимый угол вокруг цилиндрической колонны. Стол имеет три Т-образных паза, для закрепления станочной оснастки.
Плавающий стол предназначен для сверления деталей по копиру или разметки, его составные части: стол, салазки и основание. Стол перемещается в продольном направлении по салазкам, в свою очередь, салазки со столом перемещаются в поперечном направлении. Перемещение происходит на роликовых игольчатых подшипниках, что обеспечивает легкость и плавность перемещения стола.
Станок по металлу 2С132 Позволяет использовать различные инструменты и приспособления, что расширяет его технологические возможности.
Универсальность сверлильного станка позволяет использоваться его в мелкосерийном производстве, на малых предприятиях, в ремонтных и специализированных мастерских.
Модификация оборудования с дополнительным индексом: Л, К, ПФ2И, Ц, ЦП.
Базовые элементы станка изготовлены из чугуна, что обеспечивает станок достаточной жесткостью.
Механизм для изменения высоты и наклона рабочего стола.
Поворот стола на нужный угол вокруг цилиндрической колонны.
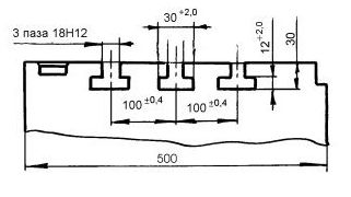
Три Т-образных паза в рабочем столе.
Плавающий стол предназначен для сверления деталей по копиру или разметки, его составные части: стол, салазки и основание. Стол перемещается в продольном направлении по салазкам, в свою очередь, салазки со столом перемещаются в поперечном направлении. Перемещение происходит на роликовых игольчатых подшипниках, что обеспечивает легкость и плавность перемещения стола.
На станке 2С132 возможна обработка крупногабаритных заготовок.
Регулирование глубины сверления, можно получить отверстия диаметром от 3 до 32 мм.
Охлаждающая жидкость находится в фундаментной плите.
Станок позволяет использовать различные инструменты и приспособления, что расширяет его технологические возможности.
Универсальность вертикально-сверлильного станка 2С132 позволяет использоваться его в мелкосерийном производстве, на малых предприятиях, в ремонтных и специализированных мастерских Москвы и других городов.
Параметры |
Значение |
|---|---|
| Максимальный диаметр сверления, мм | 32 |
| Диапазон нарезаемой резьбы | M3-M33 |
| Частота вращения шпинделя, об/мин | 31,5...1400 |
| Крутящий момент, Нм | 400 |
| Подача шпинделя об/мин | 0,1...1,6 |
| Расстояние от оси шпинделя до колонны, мм | 300 |
| Наибольшее расстояние от торца шпинделя до стола, мм | 750 |
| Мощность электродвигателя главного привода, кВт | 4 |
| Размер конуса шпинделя | Морзе 4 |
| Количество Т-образных пазов | 3 |
| Ширина Т-образного паза | 18Н12 |
| Число механических подач пиноли шпинделя | 9 |
| Перемещение пиноли шпинделя, мм | 250 |
| Число частот вращения шпинделя | 12 |
| Установочное перемещение сверлильной головки, мм. | 170 |
| Поверхность стола мм | 500х500 |
| Подъем стола, мм | 300 |
| Габаритные размеры, мм | 1080 |
1470 |
|
2680 |
|
| Масса станка, кг | 1470 |
Стандартная комплектация
- клинья к инструменту;
- втулки переходные;
- шприц под масленку;
- масленка;
- лампа КМ24-90;
- ключ к электрическому шкафу;
- вставки плавкие;
- рукоятка для подъема стола;
- пробки транспортные.
Габариты пространства 2С132
Расположение основных узлов:
- Привод;
- Коробка скоростей;
- Плунжерный насос;
- Коробка подач;
- Плита;
- Механизм управления скоростями и подачами;
- Шпиндельная бабка;
- Электрооборудование;
- Сверлильная головка;
- Система охлаждения;
- Ограждение зоны резания.
Параметры подъемного стола пространства сверлильного станка 2С132
